Tästä alkaa uusi aikakausi – Tervetuloa rakentamaan kanssamme Suomen monipuolisinta Vanlife-verkkokauppaa!

CTA Kääntöjalusta Fiat Ducato X250/X290 / Jumper / Boxer – Kuljettaja & Matkustaja

Kevyt (9kg) CTA-kääntöjalusta Fiat Ducato X250/X290, Jumper ja Boxer -malleihin. Sopii kuljettajan ja matkustajan puolelle. TÜV-hyväksytty, matala profiili.

Valmistaja:

179,00 

Mietityttääkö jokin?

Oletko epävarma sopiiko CTA Kääntöjalusta Fiat Ducato X250/X290 / Jumper / Boxer – Kuljettaja & Matkustaja tarkoitukseesi? Klikkaa tästä ja ota yhteyttä.

🚚 Luotettavat toimitukset

Helposti seurattavat toimitukset perille koko Suomeen.

📅 Laskulla 36kk maksuaikaa

Maksa kortilla, verkkopankissa, osissa tai laskulla.

🙋 Asiantunteva asiakaspalvelu

Olemme rakentaneet autoja ja hyötyajoneuvoja jo 20v ajan.

🛡️ Turvallinen tilaaminen

Palvelimemme sijaitsevat Suomessa ja sivustomme on SSL-suojattu.

MAKSUTAVAT

Käännä Ducatosi etupenkit ja tuplaa asuintilasi

Haluatko luoda retkeilyautoosi avaran oleskelutilan ilman massiivisia muutostöitä? CTA Kääntöjalusta Fiat Ducato (X250/X290) on nerokas ratkaisu, joka muuttaa ohjaamon hetkessä mukavaksi olohuoneeksi. Tämä kääntölevy on suunniteltu sopimaan saumattomasti Fiat Ducato, Citroën Jumper ja Peugeot Boxer -malleihin (vuosimallista 2006 eteenpäin) sekä uuteen Opel Movanoon (2021+).

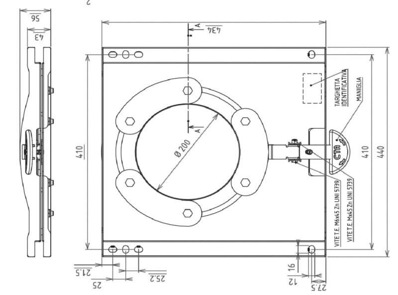
Italialaisen CTA:n valmistama jalusta on tunnettu keveydestään ja matalasta profiilistaan. Se on yksi markkinoiden kevyimmistä kääntömekanismeista (paino vain n. 9 kg), mikä on suuri etu, kun jokainen kilo matkailuautossa on tärkeä. Matalan rakenteen (n. 44 mm) ansiosta ajoasento ei nouse epämukavan korkealle.

Monipuolinen ja turvallinen: Tämä malli on ns. universaali etupenkeille, eli sama tuote sopii asennettavaksi sekä kuljettajan että matkustajan puolelle. Kääntömekanismi on ”keskeltä kääntyvä” (sentrinen), mikä tekee käytöstä vakaata. Tuote on TÜV-hyväksytty, joten voit asentaa sen huoletta. Kuljettajan puolella käsijarru saattaa vaatia madallusadapterin (riippuen istuimen säädöistä), jotta pyöriminen on täysin esteetöntä.

Tekniset Tiedot

Yhteensopivuus Fiat Ducato X250/X290 (2006+), Citroën Jumper, Peugeot Boxer, Opel Movano (2021+)
Asennuspaikka Sopii sekä Vasemmalle (Kuski) että Oikealle (Matkustaja)
Valmistaja CTA (Reimo 59698)
Paino n. 9 kg (Kevyt!)
Korkeuslisäys n. 44 mm
Materiaali Maalattu teräs (Musta)
Hyväksyntä TÜV-hyväksytty

Katso asennusvideot

Alla olevat videot näyttävät kääntöjalustan asennuksen Fiat Ducatoon. Vaikka videolla esiintyvä tuote voi olla eri brändin (esim. Sportscraft), asennusperiaate – istuimen irrotus, jalustan kiinnitys kiskoihin ja istuimen takaisin laitto – on hyvin samanlainen CTA:n jalustassa.

Mitä tuotteen tilanneet ovat sanoneet tuotteesta
CTA Kääntöjalusta Fiat Ducato X250/X290 / Jumper / Boxer – Kuljettaja & Matkustaja

Arviot

Tuotearvioita ei vielä ole.

Kirjoita ensimmäinen arvio tuotteelle “CTA Kääntöjalusta Fiat Ducato X250/X290 / Jumper / Boxer – Kuljettaja & Matkustaja”

Sähköpostiosoitettasi ei julkaista. Pakolliset kentät on merkitty *

Close ✕

Hinta

Valmistaja

  • (3)
  • (27)
  • (1)
  • (1)
  • (4)
  • (17)
  • (14)
  • (1)
  • (8)
  • (1)
  • (2)
  • (2)
  • (1)
  • (1)
  • (4)
  • (3)
  • (68)
  • (28)
  • (5)
  • (1)
  • (3)
  • (3)
  • (2)
  • (8)
  • (3)
  • (1)
  • (1)
  • (28)
  • (20)
  • (1)
  • (1)

Erityisominaisuudet

Kuoren materiaali

Teltan tyyppi

Henkilömäärä

Korkeus (suljettuna)

Leveys (suljettuna)

Pituus (suljettuna)

Paino

Väri

Haluatko varmistaa, että tuote sopii käyttöösi, vahvistaa toimitusajan, kysyä tarjousta isommasta erästä, vai mietityttääkö jokin muu?

Kysy meiltä, vastaamme mielellämme!

Tarjouspyyntö Reimo-tuotteista

Kirjoita alle Reimo-katalogista löytämäsi tuotenumerot ja määrät.

Voit lisätä useita rivejä, yksi tuotenumero per rivi.

Tarkistamme tuotteiden saatavuuden ja palaamme tarjouksella sähköpostitse.